Beschreibung
| Transkritisches CO2 | ja |
| Obst- und Gemüsedepots | ja |
| Gas-Konzentration | ja |
| Stromversorgung | 230 VAC |
| CO2-Alarmschwelle | 1,5% |
| Genauigkeit der Alarmschwelle | +/- 0.1% |
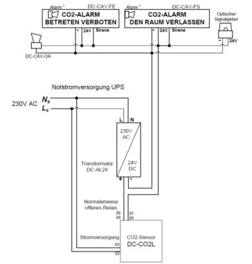
Funktionsweise des DC-CO2L-Sensors
Standalone-Modus (ohne Fernsteuerung)
DC-CO2L Sensor mit Digitel-Regelung verbunden









