Kühlstellenmodus
Verdichter- und Verflüssigermodus
Verdichtermodus und CO2-Überwachung
Ein– und Ausgangsmodus
Analog Ausgang
Luftfeuchtigkeitsmodus mit 0-10V Sonde
Luftfeuchtigkeitsmodus mit 4-20mA Sonde
Kühlstellenmodus mit mehreren Verdampfern
Helligkeitssensor Regelung
DC24DE
Kühlstellenmodus
Luftfeuchtigkeitsmodus
Ein- und Ausgangmodus
Kühlstellenmodus mit mehreren Verdampfern
Kühlstellenmodus und CO2-Überwachung
DC24E
Kühlstellenmodus
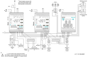
Steuerung von zwei Kühlstellen
Steuerung von drei Kühlstellen
Steuerung von einer Kühlstelle mit mehreren Verdampfern
DC24EL-1
DC24EL-1 Kühlstellenmodus
DC24EL-1 Steuerung von zwei Kühlstellen
DC24EL-1 Steuerung von drei Kühlstellen
DC24EE
Kühlstellenmodus
Luftfeuchtigkeitsmodus
Ein- / Ausgangsmodus
Kühlstellenmodus mit mehreren Verdampfern
DC34D-EVO
Kühlstellenmodus
Verkabelung E2V
Verkabelung CCMT
Steuerung Schrittmotorventil
DC24D-TP
DC24TR
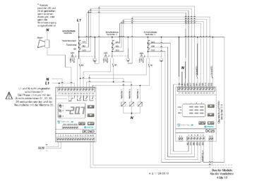
Transkritische CO2-Regelung
Wärmerückgewinnung Regelung
DC25
DC10A
Lokalbus-Anschluss
Bus-Anschluss
DC24FL
Steuerung von 4 Ventilatoren
Prozess Regelung
Luftfeuchtigkeitsmodus
Kühlstellenmodus
DC24DE PROC
DC58
Fernverwaltung
SMS-Alarm 2 (64)
SMS-Alarm 3 (600)
SPS-Funktion
CO2-Sensoren
CO2-Überwachung mit Kühlstelleregelung
CO2-Überwachung mit Verdichterregelung
CO2-Überwachung mit drei Sensoren
Funktionsweise des DC-CO2L-Sensors
DC-CO2L Standalone-Modus (ohne Fernsteuerung)
DC-CO2L Sensor mit Digitel-Regelung verbunden
Temperaturfühler
Drucksensoren
Feuchtigkeitssensoren
Luftfeuchtigkeit DC24D/DE (typ S3V)
Scheibenheizung (typ S3V)
Luftfeuchtigkeit DC24E/DC24EE (typ S3V)
Luftfeuchtigkeit DC24D/DE (typ S3)























































