Opis
| Monitorowanie zabezpieczen zespołów sprężarkowych | tak |
| Biały wyświetlacz | tak |
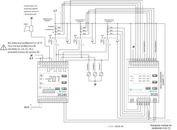
| Wejścia | 3 x 5 wejść cyfrowych 230 VAC (5 wejść na sprężarkę) |
| Zasilanie | 230 VAC |
| Interfejs magistrali monitorującej | nie |
| Zegar | nie |
| Elektroniczny zawór rozprężny | nie |
| Lokalna magistrala do rozbudowy | tak |
| Zasilanie | |
| Napięcie zasilania | 110-250 VAC, 50-60Hz |
| Maksymalny pobór mocy | 4 W |
| Klasa ochronności | 1 |
| Stopień zanieczyszczenia | 2 |
| Kategoria przepięciowa | II |
| Warunki użytkowania | |
| Temperatura | 0-40°C |
| Wilgotność | 0-80% (bez kondensacji) |

Zabezpieczen zespołów sprężarkowych







