Beschreibung
| Obst- und Gemüsedepots | ja |
| Weißes Display | ja |
| Eingänge | |
| PT 1000 | 5 |
| 0-10 V | ja |
| 4-20 mA | ja |
| Digitale Eingänge | 2 |
| Ausgänge | |
| Relais | 4 |
| Analog | ja |
| Stromversorgung | 230 VAC |
| Fernüberwachung Busschnittstelle | ja |
| Uhr | ja |
| Elektronisches Expansionsventil | nein |
| Lokalbus für Erweiterungen | ja |
| Stromversorgung | |
| Betriebsspannung | 110-250 VAC, 50-60Hz |
| Maximale Stromverbrauch | 4 W |
| Schutzklasse | 1 |
| Verschmutzungsgrad | 2 |
| Überspannungskategorie | II |
| Nutzungsbedingungen | |
| Temperatur | 0-40°C |
| Luftfeuchtigkeit | 0-80% (nicht kondensierend) |
| Schaltleistung der Relaisausgänge | induktiv 3 A 250 VAC, ohmsch 8 A 250 VAC |
| Uhr – Gangreserve | 4 Tage |
| 0-10 V Eingang | Messbereich: 0-10 V |
| 4-20 mA Eingang | Messbereich: 4-20 mA |

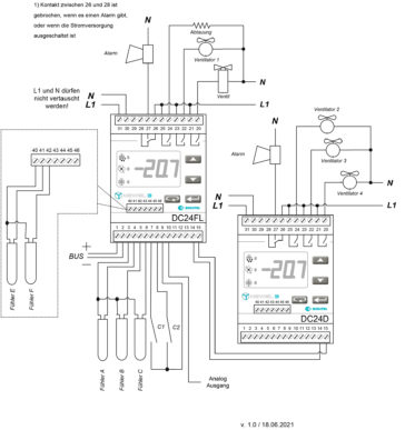
Steuerung von 4 Ventilatoren







