Description
| Transcritical CO2 | yes |
| Heat recovery | yes |
| White display | yes |
| Inputs | |
| PT 1000 | 0 to 5 depending on application |
| 0-10 V | 1 |
| 4-20 mA | 1 |
| Digital | 2 to 7 depending on application |
| Outputs | |
| Relays | 4 |
| Analogue | 2 |
| Power supply | 230 VAC |
| Remote monitoring bus interface | yes |
| Clock | yes |
| Electronic expansion valve | no |
| Local bus for extensions | yes |
| Power supply | |
| Supply voltage | 110-250 VAC, 50-60Hz |
| Maximum input power | 4 W |
| Protection rating | 1 |
| Contamination rating | 2 |
| Overvoltage category | II |
| Conditions of use | |
| Temperature | 0-40°C |
| Humidity | 0-80% (without condensation) |
| Breaking capacity of relays outputs | inductive load 6 A 250 VAC, resistive load 10 A 250 VAC |
| Clock – reserve operating margin | 4 days |
| Input 0-10 V | range of measurement: 0-10 V |
| Input 4-20 mA | range of measurement: 4-20 mA |

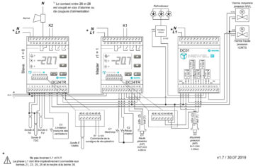
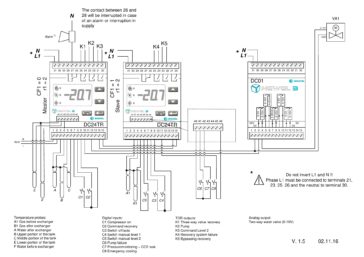
Transcritical CO2 Control
Heat recovery control








