Description
| Transcritical CO2 | yes |
| Gas concentration | yes |
| Power supply | 24 VDC |
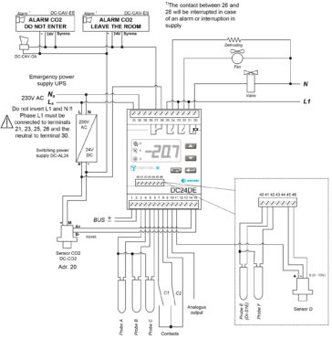
CO2 detection cooling unit
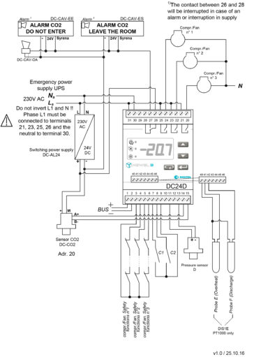
CO2 detection compressors

Opto-acoustic alarm warning system
Particularly suitable for gas leakage alarm warnings in CO2 refrigeration systems. Compatible with Digitel DC-CO2 and DC-CO2L detectors.
DC-CAV-XX:
Opto-acoustic sign with text (e.g. “leave the room” and “do not enter”) available in several languages (FR, DE, PL) and 70dB power at 1m.
DC-CAV-OA:
Opto-acoustic siren with programmable power of 90 or 120dB at 1m.
| Transcritical CO2 | yes |
| Gas concentration | yes |
| Power supply | 24 VDC |