Beschreibung
| Transkritisches CO2 | Ja |
| Gas-Konzentration | Ja |
| Stromversorgung | 24 VDC |
CO2-Überwachung Verdichterraum
CO2-Überwachung Kühlstelle

Optoakustisches Warnzeichen
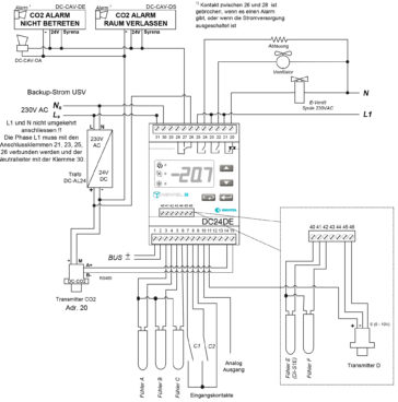
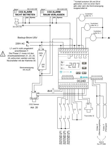
Eignet sich besonders gut für Alarmwarnungen bei Gasaustritten aus CO2-Kälteanlagen. Kompatibel mit den Digitel-Meldern DC-CO2 und DC-CO2L.
DC-CAV-XX:
Optisch-akustische Tafel mit Text (z. B. “Raum verlassen” und “Nicht betreten”) in mehreren Sprachen (FR, DE, PL) und einer Lautstärke von 70 dB in 1 m Entfernung.
DC-CAV-OA:
Optisch-akustische Sirene mit einer programmierbaren Lautstärke von 90 oder 120 dB in 1 m Entfernung.
| Transkritisches CO2 | Ja |
| Gas-Konzentration | Ja |
| Stromversorgung | 24 VDC |