Description
| Cordons chauffants vitrine, cadres des portes | oui |
| Afficheur blanc | oui |
| Entrées | |
| PT 1000 | 1 |
| 0-10 V | oui |
| Sorties | |
| Triac (24-230 VAC) | 1 |
| Alimentation | 230 VAC |
| Interface bus télésurveillance | oui |
| Horloge | oui |
| Détendeur électronique | non |
| Bus local pour les extensions | oui |
| Alimentation | |
| Tension d’alimentation | 110-250 VAC, 50-60Hz |
| Puissance maximale absorbée | 4 W |
| Classe de protection | 1 |
| Degré de pollution | 2 |
| Catégorie de surtension | II |
| Conditions d’utilisation | |
| Température | 0-40°C |
| Humidité | 0-80% (sans condensation) |
| Pouvoir de coupure des sorties relais | Inductive 1 A 250 VAC, résistive 1 A 250 VAC |
| Pouvoir de coupure de la sortie triac | inductive 6 A 250 VAC, résistive 10 A 250 VAC |
| Courant minimal exigé de la sortie triac | 11 mA |
| Horloge - réserve de marche | 4 jours |
| Entrée 0-10 V | gamme de mesure: 0-10 V |
| Entrée 4-20 mA | gamme de mesure : 4-20 mA |
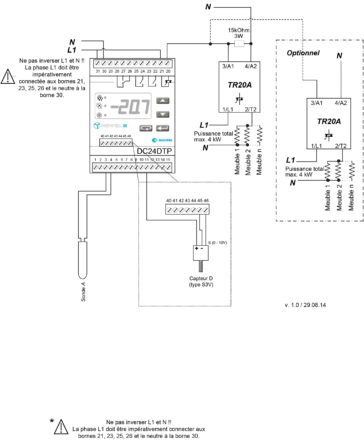
Cordons chauffants vitrine
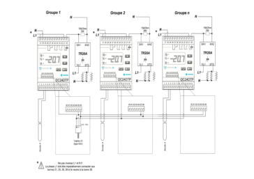
Régulation cordons chauffants de vitrine – installations de grande taille









