Description
| CO2 transcritique | oui |
| Récupération de chaleur | oui |
| Compresseurs, condenseurs | oui |
| Convertisseur 0-5 V -> 0-10 V | 3 |
| Convertisseur 4-20 mA -> 0-10 V | 1 |
| Convertisseur 0-10 V -> 4-20 mA | 1 |
| Alimentation | 230 VAC |
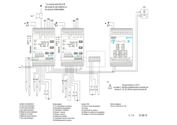
Convertisseur DC01 couplé avec DC24TR pour la régulation CO2 transcritique
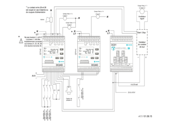
Convertisseur DC01 couplé avec DC24D/DE
Convertisseur DC01 couplé avec DC24TR pour la régulation de la récupération de la chaleur
Installations avec variation du nombre de tours











