Description
| Dépôts de fruits et légumes | oui |
| Entrées | |
| PT 1000 | 5 |
| 0-10 V | oui |
| 4-20 mA | oui |
| TOR | 2 |
| Sorties | |
| Relais | 4 |
| Analogique | oui |
| Autres | |
| Afficheur blanc | oui |
| Alimentation | 230 VAC |
| Interface bus télésurveillance | oui |
| Horloge | oui |
| Détendeur électronique | non |
| Bus local pour les extensions | oui |
| Alimentation | |
| Tension d’alimentation | 110-250 VAC, 50-60Hz |
| Puissance maximale absorbée | 4 W |
| Classe de protection | 1 |
| Degré de pollution | 2 |
| Catégorie de surtension | II |
| Conditions d’utilisation | |
| Température | 0-40°C |
| Humidité | 0-80% (sans condensation) |
| Pouvoir de coupure des sorties relais | inductive 6 A 250 VAC, résistive 10 A 250 VAC |
| Horloge - réserve de marche | 4 jours |
| Entrée 0-10 V | gamme de mesure: 0-10 V |
| Entrée 4-20 mA | gamme de mesure: 4-20 mA |
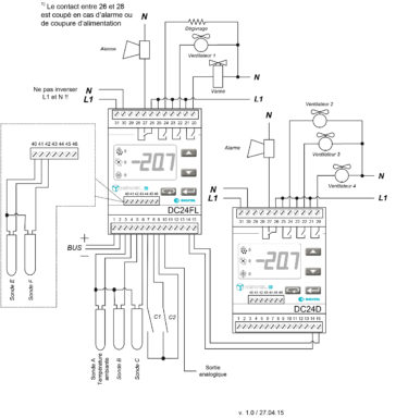
DC24FL couplé avec DC24D pour la gestion de 4 ventilateurs
Régulation du taux de l’hygrométrie









