Beschreibung
| Transkritisches CO2 | ja |
| Obst- und Gemüsedepots | ja |
| Gas-Konzentration | ja |
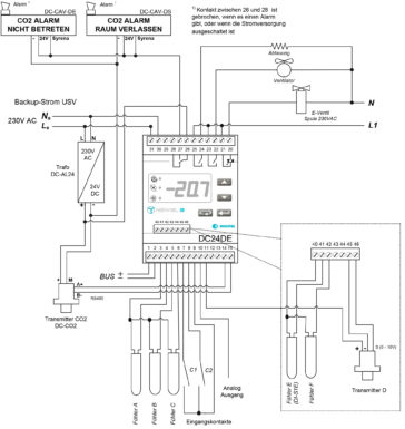
| Stromversorgung | 24 VDC |
| Messbereich CO2 | 0 bis 5% |
| Genauigkeit | |
| Ausgangssignal | RS485-Kommunikationsbus |
CO2-Überwachung mit Kühlstelleregelung
CO2-Überwachung mit Verdichterregelung
CO2-Überwachung mit drei Sensoren









