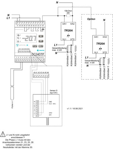
Beschreibung
| Regulierung der Scheibenheizung | ja |
| Weißes Display | ja |
| Eingänge | |
| PT 1000 | 1 |
| 0-10 V | ja |
| Ausgänge | |
| Triac (24-230 VAC) | 1 |
| Stromversorgung | 230 VAC |
| Fernüberwachung Busschnittstelle | ja |
| Uhr | ja |
| Elektronisches Expansionsventil | nein |
| Lokalbus für Erweiterungen | ja |
| Stromversorgung | |
| Betriebsspannung | 110-250 VAC, 50-60Hz |
| Maximale Stromverbrauch | 4 W |
| Schutzklasse | 1 |
| Verschmutzungsgrad | 2 |
| Überspannungskategorie | II |
| Nutzungsbedingungen | |
| Temperatur | 0-40°C |
| Luftfeuchtigkeit | 0-80% (nicht kondensierend) |
| Schaltleistung des Triac-Ausgangs | Induktiv 1 A 250 VAC, ohmsch 1 A 250 VAC |
| Uhr – Gangreserve | 4 Tage |
| 0-10 V Eingang | Messbereich: 0-10 V |
| Minimaler Strombedarf des Triac-Ausgangs | 11 mA |

Scheibenheizung







