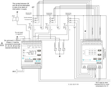
DC24D
Cooling unit
Compressors and condensers management
CO₂ monitoring
Inputs-outputs mode
Hygrometry control
Hygrometry sensor 0-10V
Hygrometry sensor 4-20mA
Unit with several evaporators
Light sensor control
Analogue output
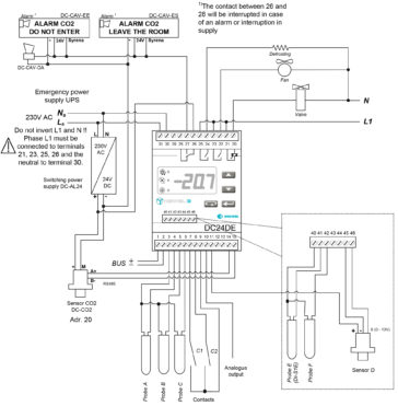
DC24DE
Cooling unit
Hygrometry management
Inputs – outputs mode
Cooling unit – control of several evaporators
CO2 monitoring
DC24E
DC24E for the control of one cooling unit
DC24E for the control of two cooling units
DC24E for the control of three cooling units
DC24E for hygrometry management
DC24E inputs-outputs mode
DC24EL-1
DC24EL-1 for the control of one cooling unit
DC24EL-1 for the control of two cooling units
DC24EL-1 for the control of three cooling units
DC24EE
Cooling unit
Hygrometry management
Inputs – outputs mode
Cooling unit – control of several evaporators
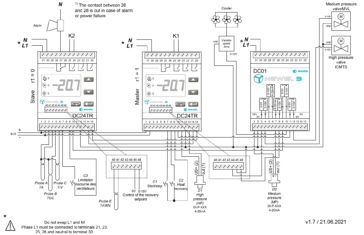
DC34D
DC24D-TP
DC24TR
Transcritical CO2 Control
Heat recovery control
DC25
DC10A
Local bus connection
Bus connection
DC24FL
Process control
Hygrometry
Cooling unit
DC24DE PROC
DC58
Remote management
SMS alarm
Programmable Logic Controller (PLC) Function
CO2 Detectors
CO2 monitoring with cold room control
CO2 monitoring with compressor control
CO2 monitoring with three sensors
DC-CO2L for CO2 monitoring
Temperature probes
Pressure sensors
Humidity sensors
Humidity control with DC24D/DE and S3V (0-10V)
Humidity control with DC24D/DE and S3 (4-20mA)
Humidity control with DC24E and S3V (0-10V)
Window heaters


















































